Table of Contents
Ever need to test a switch assembly or sensor that will eventually plug into a RoboRIO DIO port or motor-controller limit switch port? Or just provide power to somthing with the FRC-standard 3 pin connector?
Version One: Input only FakeRio
Steve uses a perfboard version of this to test and demo various FRC electrical bits.
On this board are:
- 12VDC Input with protection against reverse polarity and overload
- generation of 5 volts using a classic linear regulator
- an LED that indicates that the 5v supply is OK
- two, three, or more copies of the basic DIO connector circuit
- each with an LED to indicate “low” status on the signal pin
Parts List
1 input wire assembly with anderson powerpole connector 1 rectifier diode - 1N4001, 1N4002, 1N4003, 1N4004, 1N4005, etc. 1 self-resetting PTC fuse, 0.5 to 1.5 amp 1 electrolytic capacitor, minimum 16 volts, 47uF. (can be higher voltage or up to 470 uF) 2 0.1uF ceramic or monolithic capacitor 1 7805 linear regulator 1 LED for 5v power indicator; preferrably yellow or orange 1 resistor for power indicator. typically 2.2K, less if not bright enough One for each "DIO" header; quantities for a 4-port board: 4 three-pin 0.1" spaced header; approx. 0.4" tall posts for cable connection, tails long enough to solder 4 red LED for signal 4 resistor for red signal LED; typical 2.2K, less if not bright enough
Schematic
The complete schematic is in Eastbots github: https://github.com/Team-4795/pcboards-2018/tree/master/fakerio1 And here is a PDF: https://github.com/Team-4795/pcboards-2018/raw/master/fakerio1/fakerio1.pdf
This schematic is actually more than complete: it has too much. There are two alternatives for power supply inputs; choose only one or the other.
Breaking down the schematic, here are the major portions.
DIO Connectors and LEDs
The schematic shows four copies, for four “channels.” Build as many or as few as you like. Each channel has the familiar 3-pin connecto, with power, ground, and signal. An LED lights up red when the signal pin is pulled low by a connected switch or sensor.
Power LED
This part is just a basic LED circuit that lights up when there is +5v power available at the DIO port connectors.
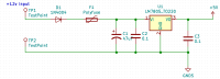
12v power supply
If you've commonly got a 12v battery or power supply handy in your build space or lab, build this portion. You might wire up the input to a set of red and black Anderson Powerpole connectors.
The input is connected to the terminals at the left, drawn with “testpoint” symbols, which probably just map to single holes in the board for wires to be soldered in.
Reading from left to right: The rectifier diode, D1, prevents any current from flowing at all if the power supply is hooked up backwards. Next comes the PTC fuse, F1. This is a self-resetting fuse], sometimes called after the brand name [[ https://www.littelfuse.com/products/resettable-ptcs.aspx|Polyfuse or Polyswitch If there's a short or too much current being drawn, F1 changes from low to high resistance essentialy opening the circuit. After the fault is removed, it automaticly resets.
Here, we want to use a polyfuse that is rated to carry somewhere between 0.5 and 1 amp without opening the circuit.
Next come some capacitors, recommended to filter the power and keep the regulator chip U1 stable.
U1 is the regulator integrated circuit, which makes stable 5v power from the input which can be anything from 8 to 13 or more volts. The datasheet on the 7805 can be found here https://media.digikey.com/pdf/Data%20Sheets/ON%20Semiconductor%20PDFs/MC7800(A,AE),NCV7800.pdf
5v power supply
If you have a 5v power supply handy, for example a USB phone charger battery pack or wall brick, you might choose to build the 5v power portion.
This power input circuit starts with a polyfuse, as above. Then comes a diode for reverse-polarity protection, but its wired differently than in the 12v circuit above. Here, the diode normally does not conduct, but if the input is reversed, the diode essentially shorts the power supply, protecting whatever is downstream. This is likely to cause the polyfuse to open.





